
광통신렌즈

| 항목 (Item) | 사양 (Specification) | 비고 (Remarks) |
|---|---|---|
| 렌즈 재질 (Material) | 고굴절 광학 유리 / 정밀 몰딩용 글라스 | 고객 요청 시 특수 유리 대응 가능 |
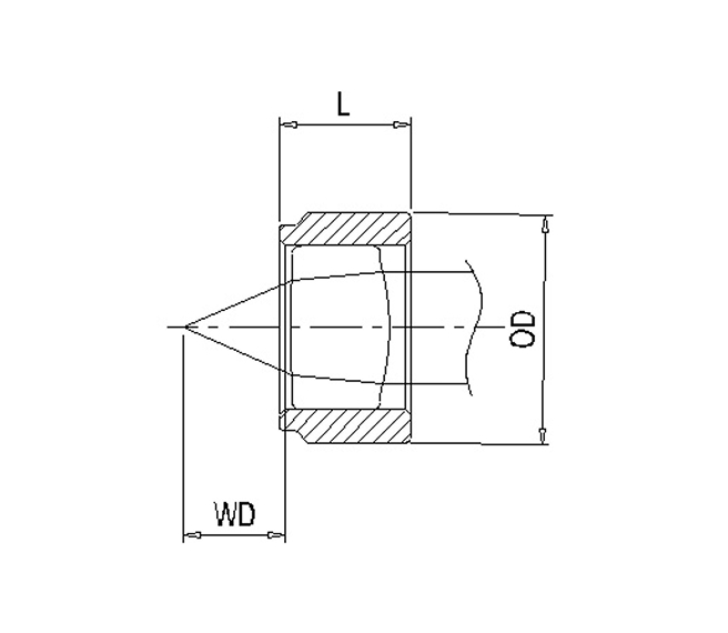
| 직경 (Diameter) | Ø 0.8 mm ~ Ø 5.0 mm | 용도에 따라 맞춤 가능 |
| 초점 거리 (Focal Length) | 0.5 mm ~ 10 mm | 커스터마이징 가능 |
| 개구수 (NA) | 0.1 ~ 0.6 | 고NA 설계 가능 |
| 표면 정밀도 (Surface Accuracy) | λ/4 이하 (at 633nm) | 측정 장비 기준 |
| 투과율 (Transmittance) | AR 코팅 (Typical R < 0.3%) | 파장대역에 맞춘 맞춤 코팅 가능 |
| 파면수차 (Wave Aberration) | <0.03λ, RMS | |
| 사용 파장대 (Wavelength Range) | 1250 nm ~ 1650 nm (O ~ L Band) | 특수 파장 요청 대응 가능 |
| 내열 온도 (Thermal Stability) | -40°C ~ +85°C | 산업용 기준 |
| CAN TYPE | CHIP TYPE | BARE TYPE |
|---|---|---|
![]() |
![]() |
![]() |